METRON - Ingenieure und ArchitektenIngenieur- und ArchitektenleistungenKarriereKontakt
Hochbau
Tiefbau
Technische Anlagen
Städtebauliche Planungen
Studien
BlmSchG
Projektsteuerung



 
 
Technische Anlagen

Planung und Bauüberwachung von Technische Anlagen
(alle Leistungsphasen nach der Honorarordnung HOAI)

  • Anlagen in der chemischen und petrolchemischen Industrie
  • Anlagen der lebensmittelverarbeitenden Industrie
  • Wasserverteilungs- und –aufbereitungsanlagen
  • Lufttechnische Aufbereitungs- und -verteilungsanlagen inkl. Wärmerückgewinnung
  • Klimatisierung
  • Regenerative Energieanlagen (Solar- und Geothermie)
  • Elektro- und Telekommunikationsanlagen
  • Heizungsanlagen inkl. Einbindung von regenerativen Energien
  • Entwässerungssysteme in Gebäuden
  • Thermalölkreisläufe
  • Transport- und Lagersysteme
  • Feuerlöschsysteme
  • Rohrleitungssysteme inkl. Armaturen und Behälter
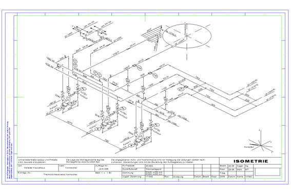
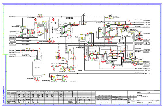
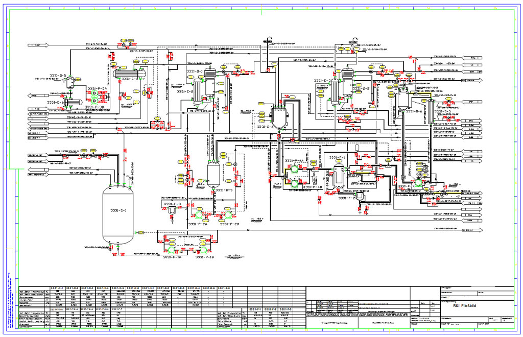
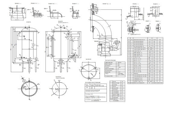
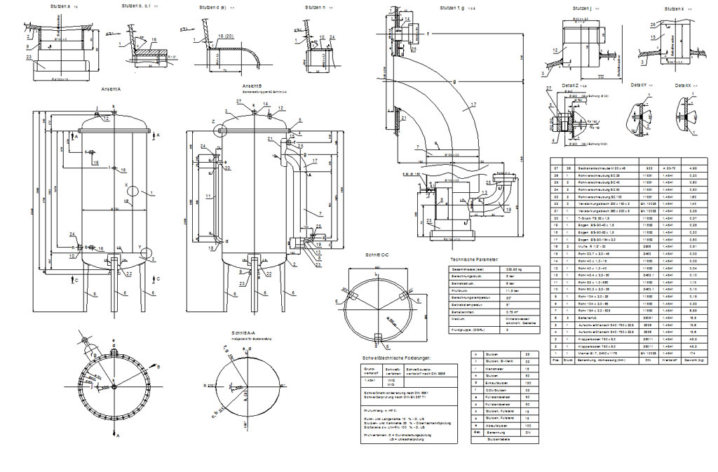
Chemischer Anlagenbau - Beispiele
Bild zoomen
Bild zoomen
Bild zoomen
Bild zoomen
 




Anlagen in der lebensmittelverarbeitenden Industrie

Haustechnik

Klimatechnik

Lüftungstechnik



Impressum und Datenschutz